黄石港区司法局政府信息
公开工作年度报告
一、总体情况
2019年,在区委、区政府和区政数局的正确领导下,我局严格贯彻落实各项文件精神和要求,不断加大公开力度,切实增强信息公开实效,较好完成了全年工作任务。截止2019年12月31日,区司法局信息公开全年应公开政府信息14条,已公开政府信息14条,下附明细表
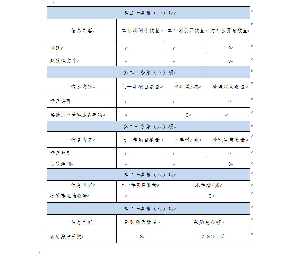
二、主动公开政府信息情况

三、收到和处理政府信息公开申请情况

四、政府信息公开行政复议、行政诉讼情况

五、存在的主要问题及改进情况
黄石港区司法局信息公开工作虽然取得了一些成效,但也存在着些许不足之处:一是信息公开队伍建设相对较弱,需进一步加强。二是社会公众参与信息公开的意识不强,宣传工作有待进一步加强。三是信息公开工作机制还有待于进一步健全。
针对上述存在的问题,在今后工作中,我局将从以下几方面抓好落实:
一是进一步提高思想认识,加大宣传力度,创新工作方式。
二是加强信息公开平台工作制度的完善,进一步规范信息公开的程序。
三是做好网站管理人员和信息发布人员的业务培训工作。
六、其他需要报告的事项
无其他需要报告的事项
黄石市黄石港区司法局
2020年1月6日
首页 | 网站声明 | 使用帮助 | 联系我们 | 关于我们 | 网站地图
主办单位:黄石港区人民政府 版权所有 联系地址:湖北黄石市黄石港区人民政府磁湖路180# 联系电话:0714-3042828
鄂公网安备 42020202000007号 网站标识码:4202020002 鄂ICP备16019304号

